Bygger RS232/CIV/CAT/PTT/AUDIO interfaces
DigiMAX v.2
För Rig-Styrning

INDEX
  • Inledning
  • Senast uppdaterat
  • ToDo
    VOX-PTT interface
  • Beskrivning
    - DigiMAX v.2 (Interfacekort)
    - VoxMAX v.1 (Expansionskort)
    - Anslutningskort (Expansionskort)
  • Kostnad
  • Referenser / Länkar m.m.
  • 'Disclaimer'


  • Övrig portabel utrustning:
  • GoBox.v.1.0
  • GoBox.v.2.0
  • GoBox.v.3.0
  • GoBox.v.4.0
  • GoBox.v.5.0
  • GoBox.v.6.0
  • GoBox.v.7.0
  • PowerBox v.1.0
  • DigiBox v.1.0
  • Portabelmast + antenn
  • RX-Utrustning
  • Inledning
    Uppdaterar mitt RS232/CI-V/CAT/PTT interface, Senaste uppdateringen var 2007.05.19, så det är nog dax! - Du hittar tidigare versioner av 'DigiMAX v.1' interface -->
    Här!

    Tanken är att använda interfacet i mitt 'GoBox v.7' projekt.

    Interface bygget består i nuläget av DigiMAX v.2 (Interfacekort), VoxMAX v.1 (Expansionskort) och Anslutningskort v.1 (Expansionskort) - Se 3D skisser längre ner på sidan.


    3D skiss

    Senast uppdaterat
    2025.11.15 Korten nu tillverkade och skickade, bara att vänta, kan hända att jag har korten i slutet av denna vecka.


    Skärm-klipp från order info hos JLCPCB.com[L3]

    Framsidan av dom tre korten som färdiga 'produktions' bilderl, nedladdade från order-status hos JLCPCB.com[L3]


    DigiMAX v.2 interface / VoxMAX v.1 (Expansionskort) / Anslutningskort v.1 (Expansionskort)

    2025.11.13 Det rör på sig även i Kina, korten beräknas vara färdiga 2025-11-14 21:11:46 (Tidig e.m. Fredag 14/11 Svensk tid)


    Skärm-klipp från order info hos JLCPCB.com[L3]

    2025.11.13 3D-Skissar på en kapsling för DigiMAX interface med expansionskort. Storleken på kapslingen blir Längd=126mm x Bredd=59mm x Höjd=39mm.


    3D skissar kapsling / piggyback setup

    2025.11.11 Under kvällen har jag skapat produktionsfiler och laddat upp dom till JLCPCB.com[L3], beräknad tillverkningstid är inom två dagar + leverans 4-6 dagar

    Verkar att gå undan, fyra minuter efter jag lagt order är uppladdad produktionsdata testad OK och förbereds för produktion...


    Skärm-klipp från order info hos JLCPCB.com[L3]

    2025.11.01 Ritar krets-schema och PCB-Layout i 'KiCAD'[R2] - Lägger ut information på denna sida a.s.a.p


    Krets-Schema från KiCAD


    PCB layout / 3D-Skiss från KiCAD

    Planerar inköp av komponenter, vanligtvis brukar jag handla från electrokit.se[L2] - Resistorer, kondensatorer och kontakter / jumper komponenter har jag redan i lager.


    Komponenter

    Komponent datablad
  • Serie konverter MAX232
  • Opto kopplare 4N35
  • Audio transformator SM-LP-5001
  • NPN transistor 2N2222
  • Spänningsregulator 78L05



  • ToDo
    Som dom flesta 'projekt' så är där alltid något som kan göras bättre / annorlunda eller ändras lite på...

  • Uppgradera denna sida
  • Tillverka


  • DigiMAX v.2 (Interfacekort)
    Beskrivning av funktion och inkoppling av radio / dator via 'DigiMAX v.2' interfacekort

    Funktion
    Interface 'DigiMAX v2' har tre grundläggande funktioner.
    A. Den hanterar seriell data för styrning av radion från dator med lämplig programvara.
    B. Den hanterar PTT växling mellan Rx/Tx av radion från dator med lämplig programvara.
    C. Den hanterar nivåreglering av audiosignaler mellan radio & dator.

    A. CI-V / CAT Level Interface
    Radio styrningen används för att fjärrstyra din radio från datorns com-port (RS232). Styrningen arbetar med en dubbelriktad nivåomvandlare av typen MAX232 (U1) - Nivåomvandlaren behöver 5vDC för att arbeta. Denna spänning erhålls via en intern fast spännings regulator 78L05 (U2), detta gör att DigiMAX kan strömförsörjas med en extern strömförsörjning på 10-30V DC.

    Samtliga styr förbindelser till radion (CI-V/CAT/Gnd/PTT) samt spänningsmatning sker över drosslar (L1-L4) för att eliminera ev. störningar.

    B. DTR/RTS/PTT Interface
    PTT Linjen används för att växla radion mellan sändning och mottagning, den är internt kopplat så att signalen RTS alt. DTR2) från com-porten aktiverar SM-omkopplaren (PTT) över en opto kopplare 4n25 (U3) med över 5KV isolationsavstånd. I vissa fall kan denna del uteslutas (Inte kopplas in) om radion kan S/M växlas med radions interna VOX eller via CI-V/CAT.

    C. AUDIO Interface
    Ljud delen är uppbyggd av två st. linjetransformatorer (T1/T2) som avskiljer radio och datorn galvaniskt för att undvika störningar och andra fenomen (T.ex. RF-Feedback) som kan påverka radion eller datorns funktion negativt.

    Normalt skall LF-Signalernas nivå ligga inom toleranser för både radio och dator. DigiMAX kan även justeras manuellt med en intern potentiometer (RV1) om signal nivån på den utsända signalen skulle falla utanför önskade toleranser (TX-Audio)


    Komponent layout från KiCAD

    Inkoppling / Inställning av DigiMAX v.2 (Interfacekort)

    J1 VCC - Strömförsörjning 10-30VDC (Likspänning), Pin1 = Positiv / Pin2 = Negativ.
    J2 RS232 - Seriell port (DB9) för anslutning till dator.
    J3 CI-V/CAT - Data anslutning till radio, Pin1 = Rx / Pin2 = Tx data / Pin3 = Jord-skärm.
    När JP5 byglas ligger RX/TX data på både pin1&2 - Används för bl.a. ICOM radio3)
    J4 PTT - PTT (Sänd) anslutning till radio, Pin1 = PTT / Pin2 = Jord-skärm.
    J5 LINE IN - LJUD in till dator, Pin1 = Signal / Pin2 = Jord-skärm.
    J6 RX-Audio - LJUD in från radio, Pin1 = Signal / Pin2 = Jord-skärm.
    J5 LINE OUT - LJUD ut från dator, Pin1 = Signal / Pin2 = Jord-skärm.
    J6 TX-Audio - LJUD in till radio, Pin1 = Signal / Pin2 = Jord-skärm.
    D1 PWR-LED - Anslutning av LED för indikering, Pin1 = Positiv / Pin2 = Negativ.
    D2 PTT-LED - Anslutning av LED för indikering, Pin1 = Positiv / Pin2 = Negativ.
    JP1 GND-SEL - Bygling för att koppla DTR/RTS/PTT sektion till jord1)
    JP2 RTS - Bygling, val av RS232 signal RTS för PTT (Sänd) aktivering2)
    JP3 DTR - Bygling, val av RS232 signal DTR för PTT (Sänd) aktivering2)
    JP4 GND-SEL - Bygling för att koppla AUDIO sektion till jord1)
    JP5 CIV-SEL - Bygling för att koppla samman data IN/UT till / från radio3)
    NOT-1 Bygling till jord för respektive interface sektion kan vara nödvändig, men kan även orsaka störningar / brus. Påbörja inkoppling med JP1/JP4 öppna (Ej byglade) / Bygla om nödvändigt.

    NOT-2 Använd endast den ena! - Både RTS/DTR kan INTE väljas samtidigt.

    NOT-3 Byglad för C-IV t.ex. ICOM (Data IN/UT på samma ledare). Öppen för CAT t.ex. YAESU och Kenwood (Data IN/UT på var sin ledare)

    VOX-PTT interface 'VoxMAX v1.0' (Expansionskort)
    Min programvara (SWALE) kan inte trigga IC-729 till sändning via CI-V eller RTS/DTR, och radion saknar inbyggd VOX-funktion, så jag behöver nu någon sorts VOX-krets. Hittade det här beskrivningen på nätet, jag ska försöka bygga ett så snart som möjligt.



    PCB 3D-Vy från KiCAD PCB layout från KiCAD

    Notera att kretskortet är designat för att sitta 'piggyback' ovanpå PTT/Ljud delen av DigiMAX v.2 kortet, detta när man av någon anledning behöver trigga TX på sin radio med 'VOX' i stället för via C-IV/CAT eller DTR/RTS på en COM-Port.

    Läs mera om VOX-PTT interface '
    VoxMAX v.1.0'


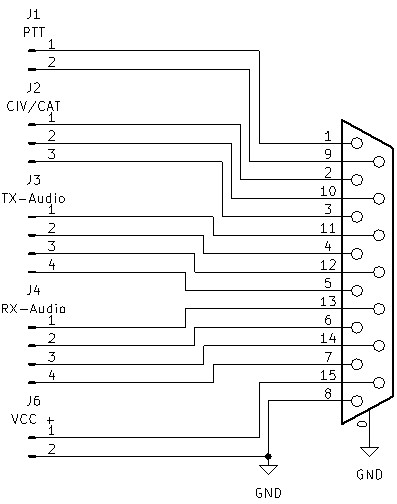
    Kort för anslutning av dator / radio (Expansionskort)
    Tillverkar ett kort för anslutning av radio och dator via en DB15 pol kontakt. Notera att kretskortet är designat för att sitta 'piggyback' ovanpå DigiMAX v.2 kortet.


    PCB layout från KiCAD


    Krets-schema från KiCAD

    Inkoppling (Pinout)
    ===============================================
    Connector / Pin       DB15
    J1 PTT Pin1           1  (PTT Line to radio)
           Pin2           9  (GND)
    J2 CIV/CAT RX Pin1    2  (Data IN from radio**)
       CIV/CAT TX Pin2    10 (Data OUT to radio**)
       CIV/CAT    Pin3    3  (GND)
    J3 TX-Audio Pin1      11 (Audio to radio)
       TX-Audio Pin2      4  (GND)
       LINE-OUT Pin3      12 (Audio from computer)
       LINE-OUT Pin4      5  (GND)
    J4 RX-Audio Pin1      13 (Audio from radio)
       RX-Audio Pin2      6  (GND)
       LINE-IN  Pin3      14 (Audio to computer)
       LINE-IN  Pin4      7  (GND)
    J6 VCC +    Pin1      15 (Pos. Power supply 10-30VDC)
       VCC -    Pin2      8  (Neg. Power supply 0V)
    

    I DB15 kontakten finns alla in/ut signaler som samlade, tillverkar en anslutningskabel för IC-729 -->
    Här!


    Kostnad
    Sammanställer kostnader t.o.m. 2025.03.14

    Inköp Electrokit
    =============================
    
    DigiMAX
    U1 MAX232 DIP-16 RS-232 driver          Art nr: 41014954
    U2 78L05 TO-92 Spänningsreg. 5V 0.1A    Art nr: 40350036
    L1-L4  Drossel 1.5uH                    Art nr: 41000059
    
    DTE/PTT
    U3 4N35 DIP-6 optokopplare              Art nr: 40309035
    Q1 2N2222 2N2222A TO-92 NPN 40V 600mA   Art nr: 40322222
    
    AUDIO
    T1/T2 4N35 DIP-6 optokopplare           Art nr: 41018920
    VR1  Trimpot PT-10 10kohm stående       Art nr: 41013759
    Axel för PT-10 trimpotentiometer grå    Art nr: 41018138
    


    Länkar / Leverantörer / Referenser
    Honors to the brains behind - 'Äras den som äras bör' - som talesättet säger. Som vanligt så är det inte jag som kommit på allt detta. Här hittar ni länkar till referenser och leverantörer.

    Leverantörer:
    [L2] Electrokit.se
    [L3] https://jlcpcb.com

    Länkar / Referenser:
    [R1] Vox circuit by
    Mike Martell N1HFX
    [R2] https://www.kicad.org/


    'Disclaimer'
    The information given on this page is given on an 'As Is' basis and aimed for NON COMMERCIAL use only. The author can not be held responsible for any use of the information. Any registered product / trademark or company name on the page is the property of their respective owners.

    Notera!
    Det är helt personliga reflektioner och upplevelser vi skriver om på den här sidan, dessa är inte några 'Expert' kommentarer / utlåtanden. Vi rekommenderar INTE att någon ska göra dom ändringar / Modifieringar som vi gjort och som beskrivs på denna sida, då dessa HELT SÄKERT gör att alla garantier som leverantören utställt OMEDELBART upphör.

    Våra tester och slutsatser kan INTE, och ska INTE tas för intäkt att samma eller motsvarande resultat eller upplevelse kan erhållas eller efterliknas någon annanstans eller av någon annan.

    Go Back!


    ©2010--2023 SM2YER Goran